Автоматическое дозирование лакокрасочных материалов с помощью оборудования ОВЕН

2014-08-13 14:03:10 1110

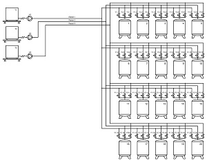
Программируемый логический контроллер ОВЕН ПЛК110, панель оператора ОВЕН ИП320, а также четырехканальные модули ввода сигналов тензодатчиков ОВЕН МВ110-224.4ТД стали основой для создания системы весового дозирования на предприятии «НПФ Стройпродукция» (г. Домодедово Московской области).

Разработкой АСУ занималась смоленская компания «Центромонтажавтоматика». На заводе расположены двадцать дисольверов, в которые требуется дозировать три основных несмешиваемых компонента. Дозирование осуществляется за счет перекачивающих насосов из емкостей, установленных на весовых платформах типа «Геркулес П». На каждом из дисольверов установлено по три клапана, оборудованных пневмоприводами с концевыми выключателями. Систему автоматики построили на базе программируемого логического контроллера ОВЕН ПЛК110-220.60.Р-М. При этом для удобства эксплуатации для каждой из линий дозирования применили свою панель оператора ОВЕН ИП320. В результате проделанной работы получили систему, позволяющую осуществлять независимое управление тремя линиями налива продукта с применением настраиваемого алгоритма «грубого» и «тонкого» дозирования.